Tomtmark för bostäder till salu i Colmenar

Property ID: R3397435

€58,500

€/m2


0
0
beds
0
baths
0
terrace
1618
plot

Urban plot in Urbanización Carrasco, Colmenar
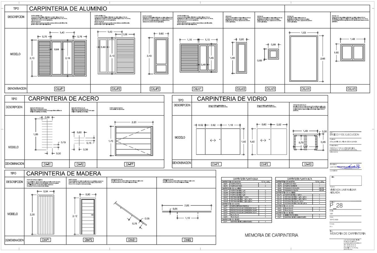
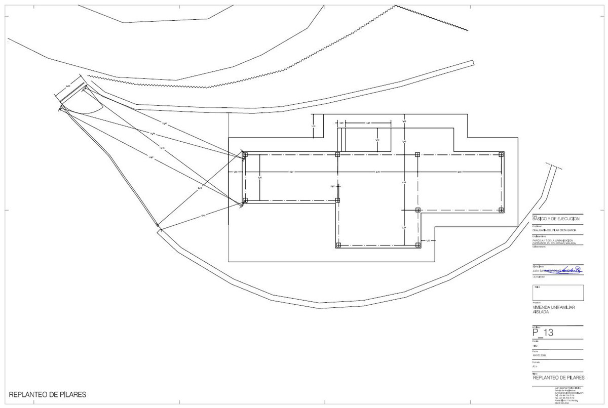
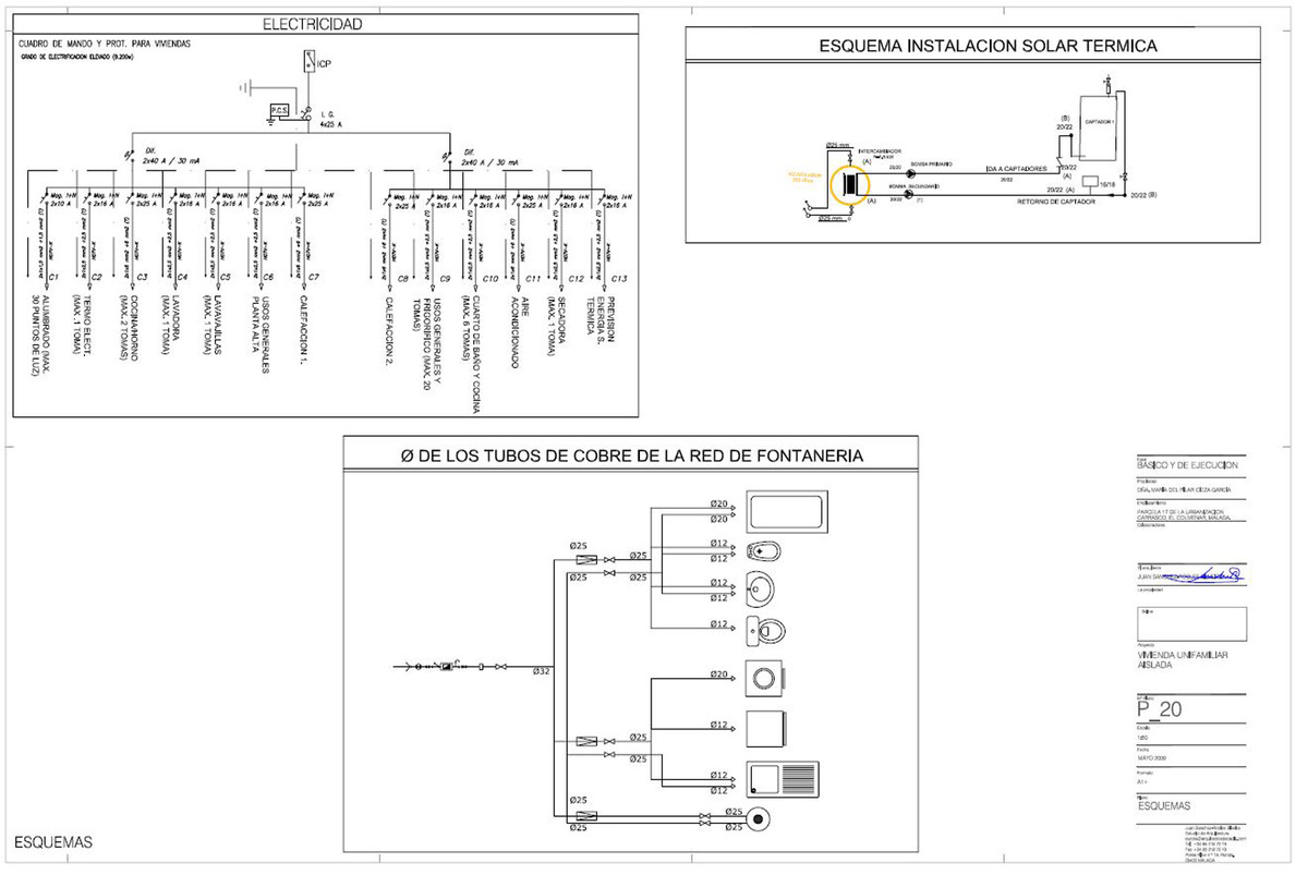
Extensive plot with urban qualification with a surface of 1.620 m2, with preliminary project and project included in the price. Geotechnical study done. Colmenar is located in the heart of the Montes de Málaga, just 30 minutes from Málaga. Ideal to live in due to its proximity to Malaga and Antequera, or as a second residence to enjoy its tranquillity and the natural space that surrounds it.


Beläget i

Prisvärdhet

Beräkna dina månatliga bolånebetalningar

Din beräknade månadsbetalning

Bli förkvalificerad

Inköpskostnader

Vår kostnadskalkylator ger en uppskattning av alla kostnader som är involverade i att köpa ett hus i Spanien. Använd dessa siffror endast som en riktlinje: de faktiska siffrorna kommer att variera beroende på fastighetens läge och vilken bank du väljer, bland andra faktorer. Till summan måste du lägga till dina bolånebetalningar och comisión de apertura om din bank debiterar det.

Totala utgifter

Du kanske gillar dessa fastigheter också